微型調速電機,微型減速電機,微型定速電機
當前位置: 首 頁 > 產品展示 > GV立式中型減速電機 > 中型減速電機GV立式3700W

中型減速電機GV立式3700W

  • 所屬分類:GV立式中型減速電機
  • 產品概述

  中型減速電機GV立式3700W:經過精密加工,確保定位精度,振動小,噪音低,節能高,選用優質段鋼材料,鋼性鑄鐵箱體,齒輪表面經過高頻熱處理,能耗低,性能優越,減速機效率高,節省空間,可靠耐用,承受過載能力高。

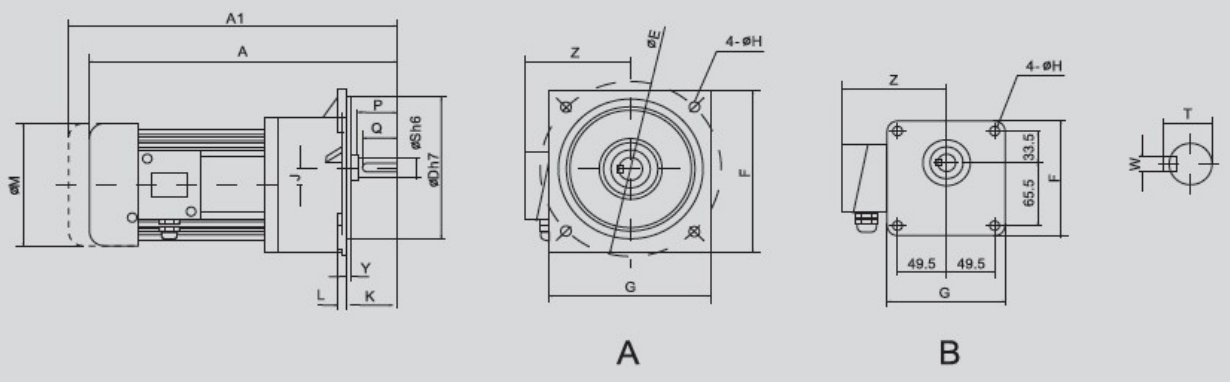
  尺寸圖:

尺寸圖

  尺寸表:

尺寸表.

標簽

GV立式3700W,微型減速電機,微型定速電機
上一篇: 中型減速電機GH臥式1500W 2023-02-21
下一篇: 中型減速電機GV立式2200W 2023-02-21