單機 速比:7.5-100比
電機 功率:2.2KW-15KW
單機 重量:約84KG
聯系 電話:13802395979" />
微型調速電機,微型減速電機,微型定速電機
當前位置: 首 頁 > 產品展示 > RV減速機 > RV減速機150

RV減速機150

  • 所屬分類:RV減速機
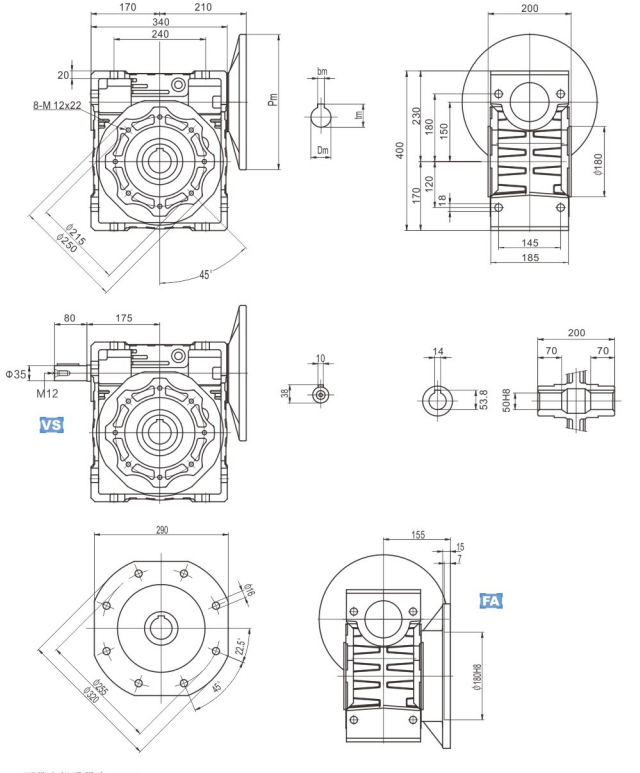
減速機型號:NMRV150(RV150) NRV150
單機 速比:7.5-100比
電機 功率:2.2KW-15KW
單機 重量:約84KG
聯系 電話:13802395979
  • 產品概述

  不帶電機重量為:87.8kg

  輸入尺寸(Pm,Dm,bm,tm)

  產品結構:

產品結構.png

  電機直聯尺寸:

電機直聯尺寸.png

  外型尺寸:

RV減速機150.png

標簽

NMRV150減速機,RV150減速電機
上一篇: 直齒減速電機PLF120 2022-12-13
下一篇: YS71B14(0.37KW) 鋁合金電機 2023-02-23