微型調速電機,微型減速電機,微型定速電機
當前位置: 首 頁 > 產品展示 > GH臥式中型減速電機 > 中型減速電機GH臥式750W

中型減速電機GH臥式750W

  • 所屬分類:GH臥式中型減速電機
  • 產品概述

  GH臥式750W:減速機構采用螺旋齒輪設計,其齒形嚙合率為一般正齒輪的二倍以上,減速機錐齒輪部采用準雙曲面螺旋傘齒輪,齒面經磨齒處理,具有低噪、音、高效率、結構緊促的特點,螺旋齒設計,基材兼備剛性與韌性,零部件嚙合好、齒輪采用低碳合金鋼、經滲碳淬將齒輪的表面。

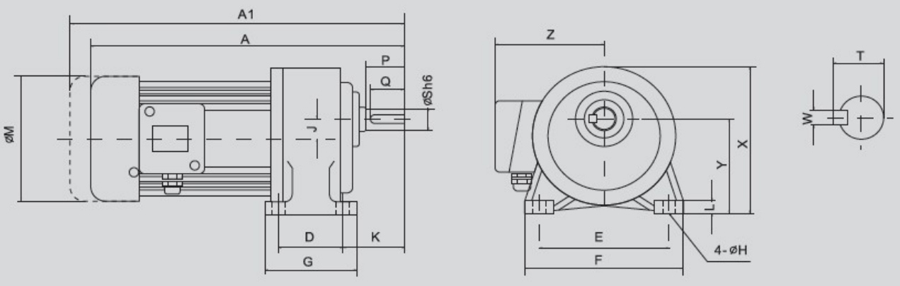
  尺寸圖:

尺寸圖

  尺寸表:

尺寸表

標簽

GH臥式750W,微型減速電機,微型定速電機
上一篇: 中型減速電機GH臥式400W 2022-12-16
下一篇: 中型減速電機GV立式100W 2022-12-16