微型調速電機,微型減速電機,微型定速電機
當前位置: 首 頁 > 產品展示 > 圓軸電機 > 圓軸電機60W-RV030

圓軸電機60W-RV030

  • 所屬分類:圓軸電機
  • 產品概述

  圓軸電機60W-RV030特點:

  60W-RV030傳動平穩,振動、沖擊和噪聲較小,其減速率大,通用性廣,可與各種機械設備配套使用。

  60W-RV030可以采用單級傳動,具有較大的傳動比,結構緊湊,大多數型號的減速機具有較好的自鎖性能,可以節約制動設備,滿足制動要求。

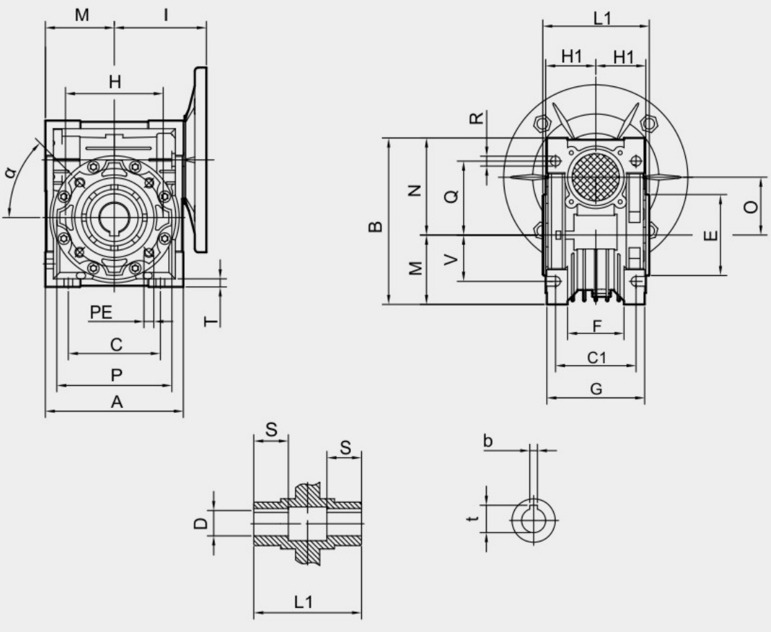
  安裝尺寸圖:

安裝尺寸圖

  數據表:

數據表

標簽

圓軸電機配RV減速機,rv減速機廠家,rv 減速機
上一篇: 藍色帶接線盒電機180W 2022-12-16
下一篇: 圓軸電機90W-RV030 2022-12-16